
三菱变频器FR-E700系列产品概述:
三菱变频器FR-E700系列 变频调速器 经济型高性能变频器
三菱变频器FR-E740完全代替FR-540系列变频器.
◆优控机电三菱变频器FR-E700系列功率范围:
0.4~15KW (三相380V FR-E740系列)
◆采用磁通矢量控制,实现1Hz运行150%转矩输出
◆PID,15段速度等多功能选择
◆内置独立RS485通讯口
◆柔性PWM,实现更低噪音运行
产品简介:FR-E700系列替代FR-E500系列。(价格与老型号相当)
功能范围:
◆允许短时超载(200%时持续3s);
◆机器本身自带操作面板,毋需另购;
◆提供USB接口与计算机连接,可以使用FR Configurator软件对变频器进行参数设定或监视;
◆变频器表面带PU接口,FR-E500操作面板可直接连接到E700系列上。安装尺寸和FR-E500完全一致。
◆允许并排安装,节省安装空间(环境要求为prefix = st1 ns = "urn:schemas-microsoft-com:office:smarttags" 40℃以下)
◆维护简单:配有梳型配线盖板,接线更方便,更换同系列变频器时,不许拆线,只要把原来变频器的控制端子安装到
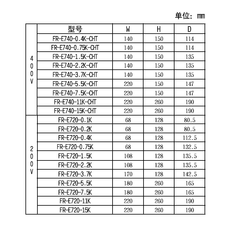
◆三菱变频器FR-E700外形尺寸图
|
型号 |
W(宽) |
H(高) |
D(长) |
D2 |
大约重量(kg) |
|
三菱变频器|FR-E740-0.4K-CHT |
140 |
150 |
114 |
129.1 |
1.4 |
|
三菱变频器| FR-E740-0.75K-CHT |
140 |
150 |
114 |
129.1 |
1.4 |
|
三菱变频器| FR-E740-1.5K-CHT |
140 |
150 |
135 |
150.1 |
1.9 |
|
三菱变频器|FR-E740-2.2K-CHT |
140 |
150 |
135 |
150.1 |
1.9 |
|
三菱变频器| FR-E740-3.7K-CHT |
140 |
150 |
135 |
150.1 |
1.9 |
|
三菱变频器| FR-E740-5.5K-CHT |
220 |
150 |
147 |
162.1 |
3.2 |
|
三菱变频器| FR-E740-7.5K-CHT |
220 |
150 |
147 |
162.1 |
3.2 |
|
三菱变频器|FR-E740-11K-CHT |
220 |
260 |
190 |
205.1 |
5.9 |
|
三菱变频器| FR-E740-15K-CHT |
220 |
260 |
190 |
205.1 |
5.9 |
三菱变频器E700产品为可实现高驱动性能的经济型产品。
-
驱动性能提高
-
具有多种磁通矢量控制方式:在0.5Hz情况下,使用先进磁通矢量控制模式可以使转矩提高到200%(3.7kw以下)。
-
短时超载增加到200%时允许持续时间为3S,误报警将更少发生。经过改进的限转矩及限电流功能可以为机械提供必要的保护。
关于优控机电:

联系方式:
广东地址:广东省东莞市南城区宏远路9号兆炫科创园C207
服务热线:0769-22326240
联 系 人:王先生/15899617171
福建地址:福建省漳州市龙文区龙文北路99号和祥大厦四楼
服务热线:0596-2160069
联 系 人:陈先生/13960174716