产品详情:
YK100系列多功能变频器
优控YK100变频器产品介绍:
优控YK100系列变频器是一款基于优控YK500系列的软硬件平台重新设计规划的多功能经济型变频器,它加强了抗干扰能力和短路保护功能,以小型化设计降低成本,同时节省了客户安装空间,更灵活的满足多种使用场合。
优控YK100变频器技术特点:
小型化设计,节省客户安装空间;
V/f控制;
标配Modbus通讯;
内置PID;
具有过流、过压、欠压、过温、过载、短路等保护功能,并且可以保存故障信息;
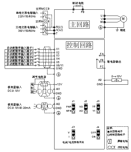
优控YK100变频器接线方式:




优控YK100变频器系列
产品详情:
YK100系列多功能变频器
优控YK100变频器产品介绍:
优控YK100系列变频器是一款基于优控YK500系列的软硬件平台重新设计规划的多功能经济型变频器,它加强了抗干扰能力和短路保护功能,以小型化设计降低成本,同时节省了客户安装空间,更灵活的满足多种使用场合。
优控YK100变频器技术特点:
小型化设计,节省客户安装空间;
V/f控制;
标配Modbus通讯;
内置PID;
具有过流、过压、欠压、过温、过载、短路等保护功能,并且可以保存故障信息;
优控YK100变频器接线方式:



